(Solution)
Room: 7.175 Exits: E  SE  U  D       (Shortcuts)

7.175

Gnireenigne Lab

This place looks like an electrical engineer's nightmare--wait, reverse that, fondest dream. Soldering irons, oscilloscopes, and miscellaneous electronic parts cover every available space--with the exception of one small clean spot in the center of the room. The AIs probably swiped some device a human was working on. But you know that the resistance these days is too clever to design anything that would yield its secrets to an AI with a toggle of the on-switch. Clearly deeper understanding is needed.

  1. A disk on the bench contains this file of hex code.
  2. A scrap of paper lying nearby appears to be a hard copy of this Google search. The first entry is circled, with "find RB?" scribbled nearby. You may, however, have better ideas.
  3. This manual for the PIC16F876 was lying on the bench. It's likely to be useful.
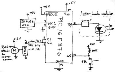
  4. This appears to be a schematic.
  5. This sheet of paper is labelled, "rotating mirror assembly". Presumably the original materials were reflective. An attached note indicates the rotation was counter-clockwise around a vertical axis, and that the lower portion of the assembly was used.
  6. There's a bookmark in Appendix A of the MPASM User's Guide (with a note saying "wow, the rest of this book was no help whatsover").
  7. An laboratory journal contains an incomplete entry, ending in a scrawl: "Finished! Fully working! And just in time."